Характеристика бортового компьютера, руководство по изготовлению БК своими руками

Бортовой автомобильный компьютер или «мозги» автомобиля — это важнейший элемент управления и мониторинга работоспособности всех основных узлов транспортного средства. БК ставится сегодня на все современные авто. Подробнее о принципе работы и разновидностях вы сможете узнать из этого материала.
Описание бортового компьютера
Что такое бортовой компьютер в автомобиле и какие задачи он выполняет? Для начала давайте разберемся в некоторых теоретических моментах. БК представляет собой электронный узел, позволяющий реагировать и управлять различными процессами в работе разных систем авто. То есть благодаря БК водитель всегда сможет получать данные о работе тех или иных компонентов. Что такое бортовой компьютер, мы разобрались, теперь расскажем о его назначении.
Что показывает бортовой компьютер:
- устройство демонстрирует расход бензина при разных режимах движения;
- позволяет управлять форсунками, а также системой зажигания транспортного средства;
- производит контроль работы трансмиссии;
- может управлять различными дополнительными системами двухсторонней связью, к примеру, камерой заднего вида, датчиком парковки и т.д.;
- позволяет определить уровень давления моторной жидкости, температуры антифриза;
- регулирует уровень напряжения в электроцепи авто, контролирует заряд аккумулятора;
- если транспортное средство оборудовано системой климат-контроля, то БК управляет и ей;
- одна из основных опций — бортовой компьютер для авто позволяет при необходимости считывать коды ошибок и показать их на дисплей, чтобы водитель мог их расшифровать и узнать, где искать поломку.
БК с дисплеем в центральной консоли
Принцип работы
Принцип функционирования автомобильного БК для карбюраторных двигателей или инжекторных вариантов не особо сложный. Устройство подключается к цепи контроллеров и регуляторов, производит считывание необходимых данных, после чего обрабатывает полученную информацию. Для обработки используется специальное программное обеспечение. К примеру, если БК по схеме получает данные о расходе горючего, то ПО позволит рассчитать возможный пробег на оставшемся объеме бензина.
Все данные выводятся на экран, установленный в салоне транспортного средства. Сам дисплей может быть цифровым, монохромным, цветным либо четырех- или трехразрядным. Как показывает практика, монохромного экрана диагональю 2 дюйма вполне достаточно для того, чтобы показать водителю более десяти параметров. Более современные варианты БК сегодня оснащаются жидкокристаллическим экраном большой точности.

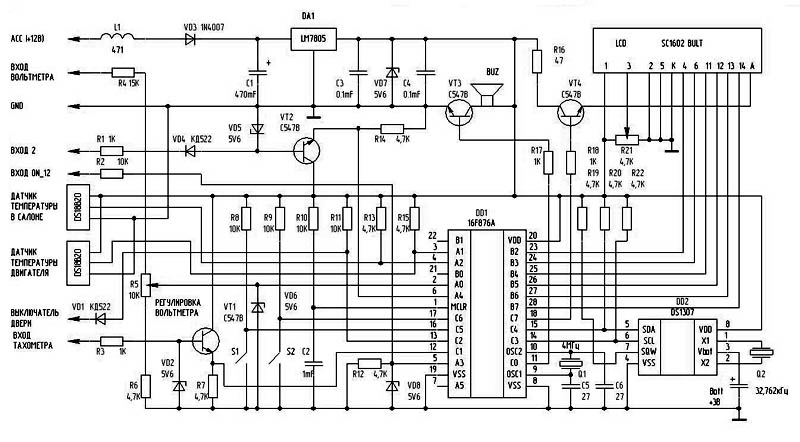
Схема для изготовления БК на микроконтроллере
Виды
На сегодняшний день различаются несколько видов БК:
- Универсальный вариант, такое устройство сочетает в себе различные опции дает автовладельцу возможность не только управлять машиной, но и серфить интернет. Основным предназначение такого устройства является повышение комфорта для автовладельца во время езды. Обычно универсальный бортовой компьютер имеет экран диагональю 6-14 дюймов, к более новым моделям можно подключать клавиатуру. Следует отметить, что по своей конструкции такие БК очень похожи на обычные компьютерные ПК, но одной из особенностей устройств является низкая степень игтеграции с электросистемой авто.
- Маршрутный. Маршрутный бортовой компьютер позволяет определить параметры езды автомобиля, при этом его не обязательно подключать по GPS к спутнику. Тем не менее, более новые модели в любом случае оснащаются GPS-приемниками. С помощью такого устройства водитель сможет определить среднюю скорость машины, расход горючего, оставшееся расстояние до того или иного пункта, пройденный километраж и т.д. Кроме того, в зависимости от модели, которую вы установите в свой автомобиль, устройство может иметь функцию рассчета расхода горючего при экстренном торможении либо быстром ускорении. Обычно БК этого вида устанавливаются в контрольный щиток.
- Управляющий и сервисный БК. Предназначение таких компьютеров заключается в определении поломок основных агрегатов транспортного средства и предупреждении об этом автовладельца. Как правило, такой БК – это составляющая часть системы управления машиной, но в зависимости от модели, это может быть и самостоятельный девайс в обширным функционалом. При проверке автомобиля все комбинации ошибок хранятся в памяти устройства и будут там находиться до того момента, пока ошибка не будет исправлена, а память – обнулена (автор видео — канал AvtoGSM).
Настройка БК
Сделать бортовой компьютер своими руками – задача трудно осуществимая в домашних условиях. Для изготовления устройства вам потребуется множество различных элементов, в том числе дисплей, микросхема, кнопки и т.д. Сделать компьютер своими силами без опыта сборки подобных устройств – невозможно, поэтому если вы хотите, чтобы девайс работал правильно, то лучше заказать эту процедуру или купить новый БК.
Если вы решите поставить на свое авто бортовой компьютер для карбюраторных или инжекторных двигателей, то вам необходимо знать, как правильно настраивается девайс:
- При необходимости всегда можно активировать опцию автоматической настройки – тогда девайс сам примет необходимую конфигурацию.
- Если такой вариант вам не подходит, то зайдите в меню настройки – найдите нужный блок и выберите его. Следует отметить, что в данном случае БК должен быть настроен в качестве основного девайса. Одну из важных ролей в настройке определяет выбор режиме, благодаря которому будет осуществляться фиксация затрат горючего.
- Выставляя этот параметр, у вас есть несколько вариантов. Один из них – это линейная зависимость, в этом случае параметр будет всегда зависеть от блока управления. Если вы решите произвести настройку вручную, то для начала вам нужно будет сделать таблицу по расходу горючего. Учитывая эту информацию, БК будет осуществлять расчеты и выводить соответствующие параметры на экран.
- Помимо этого, понадобится определить параметры, которые начнет демонстрировать экран, в зависимости от модели их количество может быть разным. Отдельно следует выделить параметр, отвечающий за температуру активации вентилятора охлаждения мотора.
Цена вопроса
Минимальная стоимость БК от компании Мультитроникс составит в районе 130 рублей. Более дорогие варианты могут стоит 7500 рублей.
Извините, в настоящее время нет доступных опросов.Видео «Как сделать БК своими руками»
Подробная инструкция по изготовлению схемы представлена на видео (автор — канал libral1973).